-
ご購入の前に
-
お見積りはこちら
TITLE
商品説明

デッキ材質 | 木質樹脂(表面材:木粉20%+耐候処理PE樹脂80%) |
---|---|
デッキ芯材 | 木粉55%+PE樹脂45% |
大引き・束柱材質 | アルミ押出形材(陽極酸化・塗装複合皮膜) |
価格表(メーカー希望小売価格)
標準束柱・幕板A・コーナーキャップ仕様
※こちらの商品はセット売り商品となります。(デッキ・デッキ土台部材)
消費税および工事費は含まれておりません。

間口・出幅サイズ
サイズは幕板Aタイプ(三方、厚み30mm)です。

注意
●モダンステージ79は、一般住宅の1階相当部施工用です。それ以外の場所には取り付けないでください。
●セット価格表の出幅サイズは幕板Aタイプを使用した場合です。
●大引きピッチ920mm・束柱ピッチ1800mm以内で使用して下さい。
●斜めカットの場合、小口から45°以内の角度で切断してください。
●アール施工の場合、半径800mm以上で施工してください。(幕板Bタイプのみ。幕板Aは、アール対応はできません。)
●段差施工する際は、束柱を幕板を除くデッキ端部から72mmの位置に設置してください。
●段差施工部の長さに合わせて、デッキ材・幕板・束柱等の部材を別途お求めください。
オプション:階段
モダンステージ79用階段 価格表(メーカー希望小売価格)
※消費税および工事費は含まれておりません。
※H500はデッキ高H500(標準高)専用です。

カラーバリエーション

マロンブラウン(MB)

セピアブラウン(SB)
オプション:独立デッキステップ
モダンステージ79用独立デッキステップ 価格表(メーカー希望小売価格)
※消費税および工事費は含まれておりません。
※現場組立品です。


写真:マロンブラウン(MB)
※セピアブラウン(SB)もございます。
据付図(単位mm)
デッキ本体据付図(単位mm)
標準束柱、幕板A、( )内は延高、〈 〉内は高延高、[ ]内は幕板B

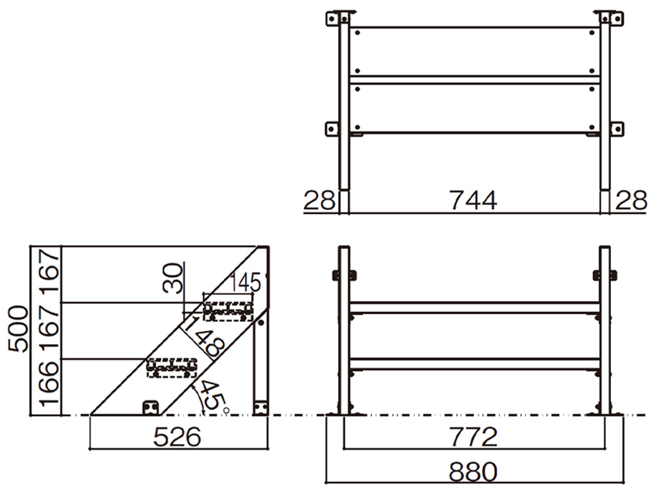
オプション:階段据付図(単位mm)
図はH500(※踏板は2枚使用)

オプション:独立デッキステップ据付図(単位mm)


木質樹脂の特徴
優れた質感 | 木粉配合により温もりある木質感を再現しました。 |
---|---|
高い耐久性・耐候性 | 天然木に比べ腐食に強く、シロアリなどによる虫害の心配がほとんどありません。 |
メンテナンスが簡単 | 経年劣化による変色・色あせが少なく、天然木のように定期的に塗替えする必要がありません。 |
キズ補修が簡単 | 市販のサンドペーパーで容易に補修ができます。 |
優れた加工性 | 天然木と同様に切断や穴あけの加工が容易にできます。 |
デッキ材
デッキ面にビスの出ない安心設計。

デッキ材は専用金具で連結するので、すき間が均一になり美しく仕上がります。
施工性の良い穴開け加工済の大引。
大引は穴開け加工済なのでデッキ材を載せて専用金具で固定するだけの簡単施工です。
デッキ材の施工手順

①デッキ取付部品をデッキ材に当てます。

②大引にデッキ取付部品を固定します。

③デッキ取付部品に引っ掛けるようにデッキ材をはめ込みます。
天然木と同等の加工性。
天然木のウッドデッキと同じく、切断や穴あけなどの加工ができます。

床板をアール形状に切断することで、きれいな曲線のデッキに施工することもできます。(R800以上、幕板Bタイプのみ)

デッキ材を斜め切りする場合、小口から45°以内の角度で切断してください。
幕板
厚みの違う2種類がございます。

幕板Aタイプ(厚み30mm)
ボリューム感のある厚めの幕板です。

幕板Bタイプ(厚み30mm)
加工性に優れ、リーズナブルな幕板です。
束柱

設置条件によって選べる5種類の柱。
調整式束柱NLはネジ式なのでレベルの微調整が簡単です。
コーナー部
コーナーを美しく見せるコーナー幕板・コーナーキャップをご用意
コーナー幕板仕様(幕板Aタイプのみ)

90°コーナー用

135°コーナー用
コーナーキャップ仕様



オプション(見積対応)
デッキのある暮らしをより便利にする多彩な周辺アイテム。

フェンス
防犯対策や、プライベート空間をつくるための間仕切りなど様々な用途で活躍します。
【仕様変更点】
①木調仕様の材質が木粉入り樹脂から木調シートへ
②ラチスピッチが120mmから150mmへ

階段
点検口
アンダーカバー
開口部品セット
木質樹脂デッキ
施工上のご注意
●天然木粉・リサイクル材を用いている為、色に多少のばらつきが発生する恐れがあります。
●変形を避けるため、平らな場所に保管し、立てかけて置かないでください。暖房機、焚き火近くの高温になる場所には保管しないでください。
●給湯器や暖房機などの熱排気が、商品に直接当たらないように施工してください。熱による部材の変形劣化のおそれがあります。
●天然木の風合いを出す為、表面をサンディング(表面をサンドペーパーで荒らした状態)しています。よって、見る角度によって色合いがちがって見えることがあります。
●製品破損の恐れがありますので屋根から雪が直接落ちる場所への設置は避けてください。
※床高H160~H1000を使用する場合
●デッキは、一般住宅の一階相当部施工用です。それ以外の場所への取り付けはおやめください。
●基礎石は取付説明書の指定寸法以上のものを使用し、確実に設置してください。
※床高H100~H165(低床タイプ)をバルコニーへ設置する場合
●デッキ材床面から手すりの最上部までの高さが1100mm未満になる場合は、人が転落する恐れがありますので絶対に施工しないでください。
●強風による吹上げでデッキ本体が飛散する恐れがありますので、風の影響を受けやすい場所への設置はしないでください。
●マンションやアパートなどの集合住宅における通路や排水溝・排水口などの共有箇所および階下への避難口、避難ハッチなどの上に設置はしないでください。
●設置場所の防水工法・水勾配(2/100以下)をご確認の上、ゴミや砂を必ず取りのぞいてから適切な施工を行ってください。
使用上のご注意
●表面のサンディングによって木粉、樹脂、顔料が露出した状態になっています。紫外線や雨、ご使用中における表面のこすれ等により、粉が付着することがありますので、衣類等や布団などが直接触れないようにしてください。
●デッキ上に空き缶や鉄製の物等を直接置いて、長時間放置しないでください。シミが生じる恐れがあります。
●灯油やガソリン、有機溶剤等が付着した場合はすぐにふき取ってください。
●デッキに長時間、重量物を載せないでください。床面は1㎡ 当り18 0 0 N / ㎡(184kgf/㎡)(高強度の場合は3500N/㎡(358kgf/㎡))の仕様です。短期間でも荷重を超えない様にしてください。
●デッキ上に積雪が約60㎝になる前に必ず雪おろしをしてください。製品破損による被害の恐れがあります。
●デッキのそばでたき火や、ゴミ等を焼いたりしないでください。また、デッキ上でバーベキューコンロ、暖房器具等を使用しないでください。
●直射日光によりデッキの表面温度は上昇しますので、日差しが強いときに裸足でデッキ上を歩くと、やけどをするおそれがあります。デッキの上では必ず履物を履いて利用してください。特に、小さいお子様が使用される時は充分注意してください。
●デッキをむやみにゆすったり、飛び乗り、飛び降り、デッキの上に重い物を乗せたりしないでください。
●プランター、植木鉢等の重量物を落とさないでください。また、傘等の尖ったもので突かないでください。
●木と樹脂の特性を持ち合わせており、温度差や湿度差等の自然条件により伸縮や反りも使用上支障をきたさない範囲で発生する場合があります。あらかじめご了承ください。
●初期段階で退色しますが、その後は大きな退色はありません。また、使用環境によって退色の度合いは異なります。ただし、色の付着や退色は、表面のみの変化ですから耐久性、強度には影響ありません。また、有害物質は含まれておりません。皮膚に付着する、また誤って舐めても無害ですのでご安心ください。
お手入れ方法
●サンディングの目に汚れが付着することがあります。汚れが付着した時は、頑固な汚れになる前に清掃等を行ってください。
●汚れは使用環境に大きく影響されます。定期的な清掃をお勧めします。
●デッキの清掃の目安として年に2~3回、デッキブラシ等で長手方向に沿って水洗いしてください。表面の木粉等がでてきますが、最後に水できれいに洗い流してください。
●キズやこげあとがついた場合は、キズ部分をサンドペーパー(♯40~♯60)を長手方向に擦り、仕上げてください。最後に表面を水洗いします。
取付・取扱説明書
モダンステージ79 | 取付・取扱説明書はこちらからご覧頂けます。 |
---|---|
独立デッキステップ | 【オプション】取付・取扱説明書はこちらからご覧頂けます。 |
多段幕板 | 【見積対応】取付・取扱説明書はこちらからご覧頂けます。 |
テラス取付支柱カバー | 【見積対応】取付・取扱説明書はこちらからご覧頂けます。 |
上記販売寸法以外のデッキ形状、階段・独立デッキステップ以外のオプション品、
個別部材が必要な場合は「お見積り依頼」へお進みください。
※最新の商品仕様については、メーカーカタログ等でご確認ください
お探しの商品が見つからない場合
掲載されている商品は
ごく一部です!
サイズ違い、型番違いも無料お見積りOK!
お気軽にお問い合わせください!
新規会員登録
井上定の豊富なラインアップを
いつでもどこでも気軽に注文!
-
日本随一の取扱商品を誇る外構、内・外装専門商社井上定が運営!
-
各メーカーのご協力により特別価格でご提供!
-
サイトに掲載のない商品も無料お見積り大歓迎!
-
1点単位からのご購入・配送対応可能!
豊富な決済手段をご用意!
※請求書払い(NP掛け払い)の場合、株式会社ネットプロテクションズより審査が行われます。